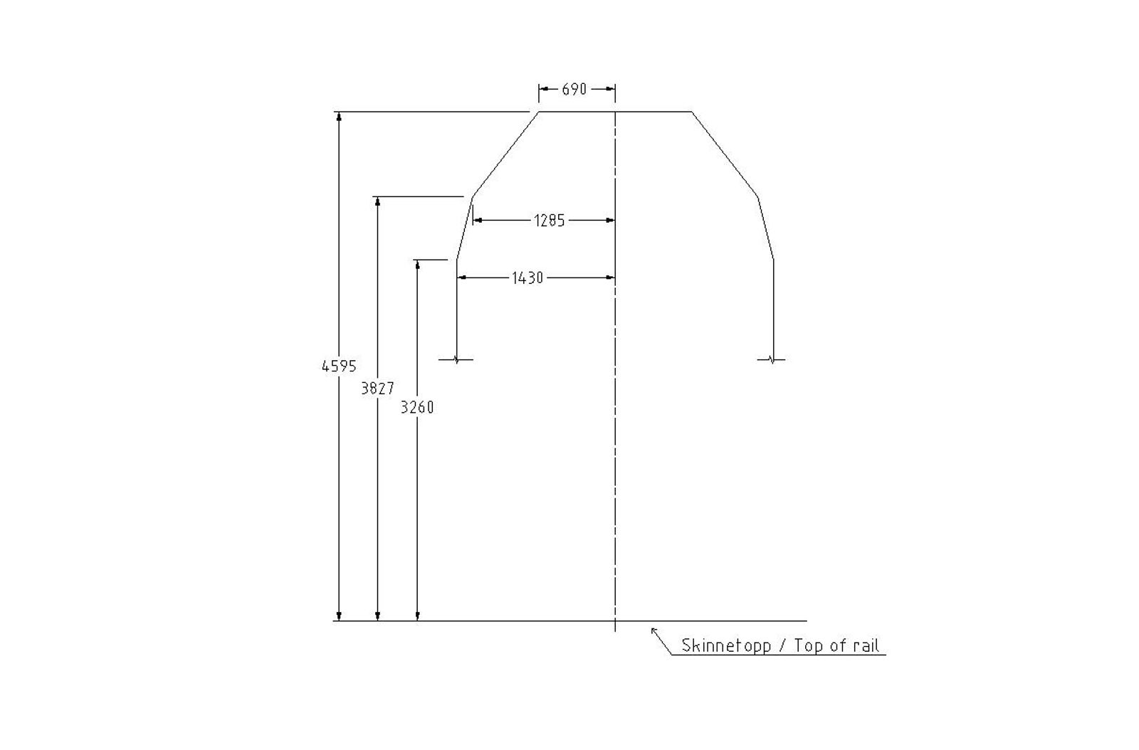
Multipurpose profil
Kartet nedenfor viser hvilke strekninger på det nasjonale jernbanenettet jernbanenettetDet jernbanenettet Bane NOR forvalter, som er hele det norske jernbanenettet. som kan benytte JBVs «Multipurpose» vognprofil. Vogner med tilsvarende statisk profil, og tilsvarende horisontal- og vertikalutslag, kan benyttes på de samme strekninger. Vogntypen har en akselavstand på 9 meter og et overheng på 3 meter. Den nedre delen, som ikke er inntegnet, forutsettes å være i henhold til N & U laste-profilet på foregående side.

